简体中文简体中文 EnglishEnglish RussianRussian 您好!欢迎访问武汉世佳伟业科讯电子技术有限公司主营:台达变频器 变频器维修 变频器控制柜 二次供水系统
综合能碳管理服务商新能源·智能电网 电气传动服务商
全国咨询热线:400 110 0223
热门关键词:
您的位置: 世佳伟业 > 产品中心 > 仪器仪表 > 工业电源 > 平板式工业电源

PMT-12V75W2BA

产品编号:PMT-12V75W2BA

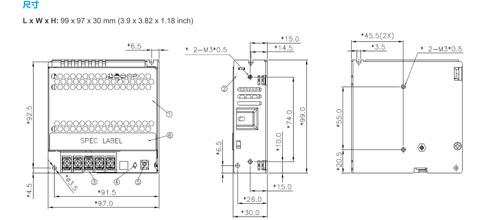
PMT2 平板式电源供应器 PMT2 75 W 系列/PMT-12V75W2BA

在线咨询 全国热线
400 110 0223
产品特色

image.png

image.png

产品选型

image.png

image.png

image.png

image.png

image.png

image.png

产品应用

image.png


热品推荐